Внимание: Santreyd — информационный посредник. Товары представлены в рамках параллельного импорта. Изображения и описания носят информационный характер.
+7 (471) 290-01-72

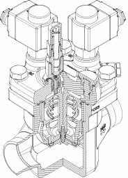
Danfoss ICSH — двухступенчатые клапаны ICSH 40 40D Клапан электромагнитный 027H4309

Артикул: 027H4309 Бренд: DANFOSS Код: 102 063 131
0
Важная информация для покупателей:

Santreyd является информационным посредником. Товары представлены в рамках параллельного импорта. Изображения и описания носят информационный характер и могут отличаться от оригинала.

Информация о рекламодателе объявление № 2063131 от 30.07.2021 г. ООО "САН&nbps;&nbps;&nbps;
Сведения о рекламодателе предоставляется по запросу Правообладателя и/или контролирующих структур

Цена товара
185 662 / шт
Отправьте запрос, чтобы узнать актуальную цену и условия поставки
Под заказ Сроки поставки уточните у менеджера
Укажите количество:шт Итого ( 1 x 185 662 ) :185 662

Основные характеристики

Бренд
DANFOSS
Страна производителя
Дания
Гарантия
-
Размеры
160
Вес
6,5
Цвет
-

Клапаны предназначены для установки на линии подачи горячих паров в испарители и открываются в 2 ступени во избежание гидравлического удара в начальный период оттаивания. Для полного открытия клапана необходим операционный перепад давления 0,2 бар.

  • Рабочая среда: R 717 (аммиак), R744 (диоксид углерода), ГХФУ и ГФУ хладагенты
  • Типоразмер: DN 25 — DN 80
  • Рабочий перепад давления 0,07 ÷ 0,2 бар
  • Верхняя крышка может быть установлена в любом из четырех возможных положений
  • Предусмотрена возможность ручного открытия
  • Корпус клапана присоединяется к трубопроводу методом сварки или пайки
  • Корпус клапана изготовлен из низкотемпературной стали
  • Тефлоновое уплотнение седла запорного органа обеспечивает высокую герметичность клапана
  • Седло клапана устойчиво к кавитации.
Информация для покупателей:

Все описания товаров составлены на основе открытых данных и технической документации. Изображения товаров носят информационный характер и могут отличаться от оригинала.

Артикул 027H4309
Бренд DANFOSS
Вес 6
Длина 160
Страна изготовления Дания
L, мм 160
Рабочая среда ГХФУ, негорючие ГФУ , R717 (NH3) и R744 (CO2). Фазовое состояние жидкость/газ
H, мм 51,5
L, мм 86
H2, мм 186,5
L2, мм 146
Вес, кг 6,5
Температура рабочей среды... -60 ... +120
L4, мм 102
H3, мм 78
H4, мм 193
Размер корпуса клапана DN... 40
Максимальное рабочее давл... 52
Класс герметичности затвора А (нет видимых утечек при испытании) по ГОСТ 9544  2015
L3max (s1), мм 138
L3max (s-2), мм 123
Тип присоединения, мм 40D (1 1/2") - под сварку встык, EN 10220
Гарантийные обязательства Изготовитель/продавец гарантирует соответствие клапанов ICSH техническим требованиям при соблюдении потребителем условий транспортировки, хранения и эксплуатации.Гарантийный срок эксплуатации и хранения составляет 12 месяцев с даты продажи, указанной в транспортных документах, или 18 месяцев с даты производства. Срок службы ICSH при соблюдении рабочих диапазонов согласно паспорту/инструкции по эксплуатации и проведении необходимых сервисных работ составляет 10 лет с даты продажи, указанной в транспортных документах.
Комплектность В комплект поставки входят · клапан {{field Модификация}} · 2 пилота EVM NC
Назначение изделия 2.1 НазначениеЭлектромагнитные клапаны типа ICSH {{field Модификация}} (далее  клапаны ICSH) предназначены для установки на линии подачи горячих паров в испарители с оттайкой горячим газом и открываются в 2 этапа (ступени) во избежание гидравлического удара в начальный период оттаивания. Обе ступени активируются сигналом от PLC-контроллера, подающего питание на электромагнитные катушки с определенной временной задержкой. Клапаны ICSH удовлетворяют всем требованиям, предъявляемым к оборудованию промышленных холодильных установок. 2.2 Климатическое исполнение Изделие предназначено для работы во всех макроклиматических районах на суше (О), кроме макроклиматического района с антарктическим холодным климатом, в том числе для макроклиматического района с умеренно-холодным морским климатом (М), атмосфера I - II, в помещениях Категории размещения 1 - 5 по ГОСТ 15150. 2.3 Область применения Промышленные холодильные установки 2.4 Конструкция клапана Таблица 1. Спецификация материалов

Отзывы покупателей

0 на основе 0 отзывов

Вопросы и ответы

Здесь вы можете найти ответы на часто задаваемые вопросы или задать свой вопрос о товаре.

Как можно оплатить заказ?

Оплата товаров производится по выставленому счету нашим менеджером, после оформления заказа. Доступные способы оплаты отображены в «Корзине» в момент оформления.

Отвечен 10 марта 2025

Условия доставки и оплаты

ДОСТАВКА ПО МОСКВЕ И ОБЛАСТИ:
Экспресс‑доставка за один день!

Успевайте оплатить заказ до 9:00 — и в тот же день, до 23:00, мы привезём его при наличии на складе.

Стоимость — 6 500 ₽. Быстро, чётко, без ожидания.

ДОСТАВКА ПО ВСЕЙ РОССИИ
Во все регионы круглый год

Надёжные транспортные компании — СДЭК, Деловые Линии, ПЭК, Байкал Сервис — доставят ваш заказ в любой регион.

Удобные варианты оплаты доставки:

Напрямую перевозчику — по отдельному счёту от ТК.

Через нас — мы включим предварительную стоимость доставки в общий счёт. После упаковки и взвешивания, если тариф изменится, разницу вы доплачиваете напрямую транспортной компании — прозрачно и без скрытых переплат.

Стоимость доставки и упаковки оплачивает покупатель. Сроки — от 10 до 30 календарных дней (зависят от правил выбранной ТК).

СПОСОБЫ ОПЛАТЫ:
QR, картой, переводом

Выбирайте то, что удобно:

  • Онлайн банковской картой — через защищённый платёжный шлюз
  • По счёту — банковский перевод по реквизитам
  • По QR‑коду — быстро и без лишних действий

Оплата наличными и при получении недоступна.

Все заказы принимаются только при 100% предоплате в соответствии с условиями договора.

Гарантия на товар

Гарантия 12 месяцев

Danfoss ICSH — двухступенчатые клапаны ICSH 40 40D Клапан электромагнитный 027H4309 предоставляется с гарантией 12 месяцев с момента покупки.

Условия гарантии:
  • Гарантия распространяется на производственные дефекты
  • Гарантийный талон должен быть заполнен и заверен печатью продавца
  • Товар должен использоваться по назначению и в соответствии с инструкцией
  • Гарантия не распространяется на повреждения, вызванные неправильной установкой или эксплуатацией
Важная информация:

Гарантийные обязательства выполняются в рамках законодательства РФ о параллельном импорте. Для предъявления претензий по гарантии необходимо обратиться к продавцу.

Цена по запросу
Товар: "Обои виниловые бежевые 0.70 м 919653 RASCH Safrano" добавлен в корзину
Оформить заказ
Товар добавлен в корзину
Оформить заказ
Ваша оценка учтена
Общая оценка товара: 3.5
Вывод сообщения о неверном действии со стороны пользователя
Сообщение об успешном действии: отправлена форма, успешный вход и т.д.
Сообщение об успешном действии: отправлена форма, успешный вход и т.д.